Tinkster Logo
All
intermediateAI & Computer Vision23-Feb-2020

Raspberry Pi - Autonomous Mars Rover With OpenCV Object Tracking

1 weekend
$100-200
4
Cover
Original Project by shivamgautam from Instructables.
Powered by a Raspberry Pi 3, Open CV object recognition, Ultrasonic sensors and geared DC motors. This rover can track any object it is trained for and move on any terrain.

Steps

1

Introduction

Introduction
In this Instructables, we are going to build an Autonomous Mars Rover which can recognize objects and track them using the Open CV software running on a Raspberry Pi 3 with an option to use a webcam device or the original raspberry pi camera. It is also equipped with an Ultrasonic sensor mounted on a servo to track its way in dark environments where camera wouldn't work. Signals received from Pi are sent to the motor driver IC (L293D) which drives 4 x 150RPM DC motors mounted on a body built with PVC pipes.
2

Materials & Software Required

Materials & Software Required
Materials & Software Required
Materials & Software Required
Materials & Software Required
Materials & Software Required
Materials Required
• Raspberry Pi (Any but zero)
• Raspberry PI Camera or a webcam
• L293D motor driver IC
• Robot Wheels (7x4cm) X 4
• Geared DC Motors (150RPM) X 4
• PVC pipes for chassis
Software required
• Putty for SSH ing the Pi
• Open CV for object recognition
3

Building the Rover Chassis

Building the Rover Chassis
Building the Rover Chassis
Building the Rover Chassis
To build this PVC chassis, you will need
• 2 X 8"
• 2 X 4"
• 4 T-Joints
Arrange the PVC pipes in a ladder like structure and insert into T-joints. You may use the PVC sealant to make the joints even stronger.
The geared DC motors are connected with the PVC pipe chassis using clamps and then wheels are connected with the motors using screws.
4

Building Ultrasonic Rangefinder Assembly

Building Ultrasonic Rangefinder Assembly
The ultrasonic range finder assembly is built using an HC-SR04 Ultrasonic sensor connected with a Micro Servo motor. Cables are pre connected with the ultrasonic sensor before putting into the plastic case which is connected to the servo motor via screws.
5

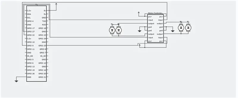
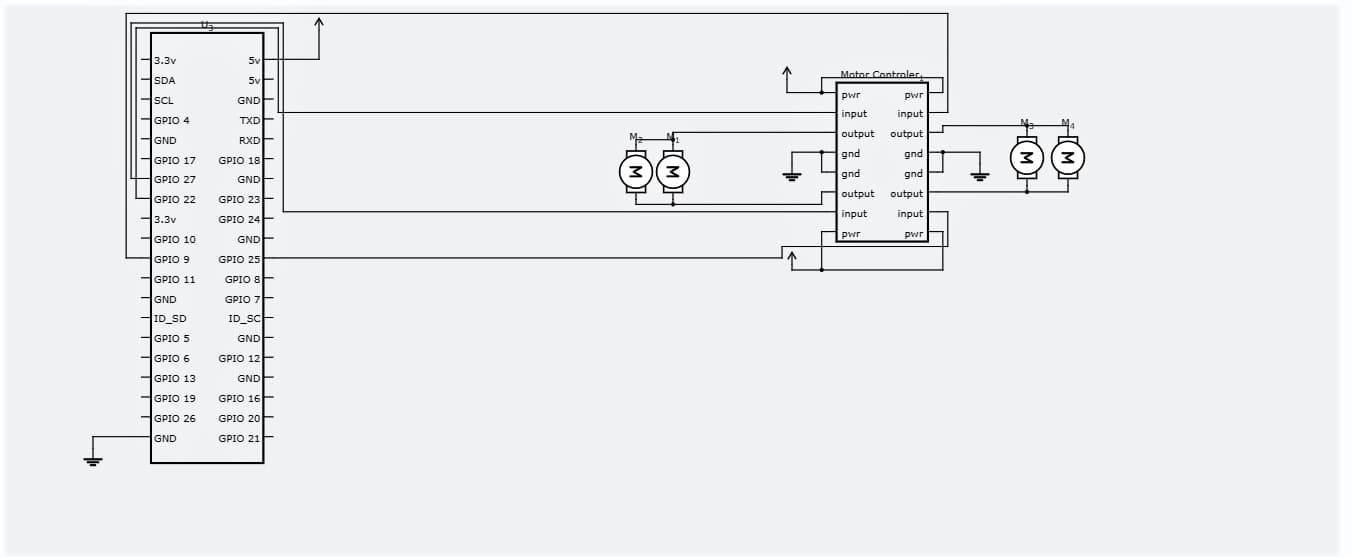
Schematics and Electrical Connections

Schematics and Electrical Connections
Schematics and Electrical Connections
Please make the electrical connections as per the circuit diagram attached.
6

SSH and Open CV Installation

SSH and Open CV Installation
Now, we need to SSH into our raspberry pi in order to install the required software. We will start by SSHing to our Raspberry Pi. Make sure your Pi is connected to the same router as your PC and you know it's IP address assigned to it by your router. Now, open a command prompt or PUTTY if you are on Windows and run the following command.
ssh [email protected] Pi's IP might be different, mine is 192.168.1.6.
Now, enter your default password - "raspberry"
Now, that you have SSH'd into your Pi, Let's start by updating with this command.
sudo apt-get update && sudo apt-get upgradeLet's install the required developer tools now,
sudo apt-get install build-essential cmake pkg-configNext, we need to install some image I/O packages that will help our Pi to fetch various image formats from disk.
sudo apt-get install libjpeg-dev libtiff5-dev libjasper-dev libpng12-devNow, some packages for fetching video, live streaming and optimizing OpenCV performance
sudo apt-get install libavcodec-dev libavformat-dev libswscale-dev libv4l-devsudo apt-get install libxvidcore-dev libx264-devsudo apt-get install libgtk2.0-dev libgtk-3-devsudo apt-get install libatlas-base-dev gfortranWe also need to install Python 2.7 and Python 3 header files so we can compile OpenCV with python bindings
sudo apt-get install python2.7-dev python3-devDownloading OpenCV source code
cd ~wget -O opencv.zip https://github.com/Itseez/opencv/archive/3.3.0.zipunzip opencv.zipDownloading opencv_contrib repository
wget -O opencv_contrib.zip https://github.com/Itseez/opencv_contrib/archive/3.3.0.zipunzip opencv_contrib.zipIt is also recommended to use a virtual environment for installing OpenCV.
sudo pip install virtualenv virtualenvwrappersudo rm -rf ~/.cache/pipNow, that virtualenv and virtualenvwrapper has been installed, we need to update our ~/.profile to include the following lines at bottom
export WORKON_HOME=$HOME/.virtualenvs<br>
export VIRTUALENVWRAPPER_PYTHON=/usr/bin/python3
source /usr/local/bin/virtualenvwrapper.shCreate your python virtual environment
mkvirtualenv cv -p python2switch to the created virtual environment
source ~/.profileworkon cvInstalling NumPy
pip install numpyCompile & Install OpenCVcd ~/opencv-3.3.0/mkdir buildcd buildcmake -D CMAKE_BUILD_TYPE=RELEASE \<br>
-D CMAKE_INSTALL_PREFIX=/usr/local \
-D INSTALL_PYTHON_EXAMPLES=ON \
-D OPENCV_EXTRA_MODULES_PATH=~/opencv_contrib-3.3.0/modules \
-D BUILD_EXAMPLES=ON ..Finally compile OpenCV
make -j4After this command finishes running. All you need to do is install it.
sudo make configsudo ldconfig

Conclusion

Create a Python file called tracker.py and add the following code to it.
sudo nano tracker.pycode:-
#ASAR Program
#This program tracks a red ball and instructs a raspberry pi to follow it.
import sys
sys.path.append('/usr/local/lib/python2.7/site-packages')
import cv2
import numpy as np
import os
import RPi.GPIO as IO
IO.setmode(IO.BOARD)
IO.setup(7,IO.OUT)
IO.setup(15,IO.OUT)
IO.setup(13,IO.OUT)
IO.setup(21,IO.OUT)
IO.setup(22,IO.OUT)
def fwd():
IO.output(21,1)#Left Motor Forward
IO.output(22,0)
IO.output(13,1)#Right Motor Forward
IO.output(15,0)
def bac():
IO.output(21,0)#Left Motor backward
IO.output(22,1)
IO.output(13,0)#Right Motor backward
IO.output(15,1)
def ryt():
IO.output(21,0)#Left Motor backward
IO.output(22,1)
IO.output(13,1)#Right Motor forward
IO.output(15,0)
def lft():
IO.output(21,1)#Left Motor forward
IO.output(22,0)
IO.output(13,0)#Right Motor backward
IO.output(15,1)
def stp():
IO.output(21,0)#Left Motor stop
IO.output(22,0)
IO.output(13,0)#Right Motor stop
IO.output(15,0)
###################################################################################################
def main():
capWebcam = cv2.VideoCapture(0) # declare a VideoCapture object and associate to webcam, 0 => use 1st webcam
# show original resolution
print "default resolution = " + str(capWebcam.get(cv2.CAP_PROP_FRAME_WIDTH)) + "x" + str(capWebcam.get(cv2.CAP_PROP_FRAME_HEIGHT))
capWebcam.set(cv2.CAP_PROP_FRAME_WIDTH, 320.0) # change resolution to 320x240 for faster processing
capWebcam.set(cv2.CAP_PROP_FRAME_HEIGHT, 240.0)
# show updated resolution
print "updated resolution = " + str(capWebcam.get(cv2.CAP_PROP_FRAME_WIDTH)) + "x" + str(capWebcam.get(cv2.CAP_PROP_FRAME_HEIGHT))
if capWebcam.isOpened() == False: # check if VideoCapture object was associated to webcam successfully
print "error: capWebcam not accessed successfully\n\n" # if not, print error message to std out
os.system("pause") # pause until user presses a key so user can see error message
return # and exit function (which exits program)
# end if
while cv2.waitKey(1) != 27 and capWebcam.isOpened(): # until the Esc key is pressed or webcam connection is lost
blnFrameReadSuccessfully, imgOriginal = capWebcam.read() # read next frame
if not blnFrameReadSuccessfully or imgOriginal is None: # if frame was not read successfully
print "error: frame not read from webcam\n" # print error message to std out
os.system("pause") # pause until user presses a key so user can see error message
break # exit while loop (which exits program)
# end if
imgHSV = cv2.cvtColor(imgOriginal, cv2.COLOR_BGR2HSV)
imgThreshLow = cv2.inRange(imgHSV, np.array([0, 135, 135]), np.array([18, 255, 255]))
imgThreshHigh = cv2.inRange(imgHSV, np.array([165, 135, 135]), np.array([179, 255, 255]))
imgThresh = cv2.add(imgThreshLow, imgThreshHigh)
imgThresh = cv2.GaussianBlur(imgThresh, (3, 3), 2)
imgThresh = cv2.dilate(imgThresh, np.ones((5,5),np.uint8))
imgThresh = cv2.erode(imgThresh, np.ones((5,5),np.uint8))
intRows, intColumns = imgThresh.shape
circles = cv2.HoughCircles(imgThresh, cv2.HOUGH_GRADIENT, 5, intRows / 4) # fill variable circles with all circles in the processed image
if circles is not None: # this line is necessary to keep program from crashing on next line if no circles were found
IO.output(7,1)
for circle in circles[0]: # for each circle
x, y, radius = circle # break out x, y, and radius
print "ball position x = " + str(x) + ", y = " + str(y) + ", radius = " + str(radius) # print ball position and radius
obRadius = int(radius)
xAxis = int(x)
if obRadius>0 & obRadius<50:
print("Object detected")
if xAxis>100&xAxis<180:
print("Object Centered")
fwd()
elif xAxis>180:
print("Moving Right")
ryt()
elif xAxis<100:
print("Moving Left")
lft()
else:
stp()
else:
stp()
cv2.circle(imgOriginal, (x, y), 3, (0, 255, 0), -1) # draw small green circle at center of detected object
cv2.circle(imgOriginal, (x, y), radius, (0, 0, 255), 3) # draw red circle around the detected object
# end for
# end if
else:
IO.output(7,0)
cv2.namedWindow("imgOriginal", cv2.WINDOW_AUTOSIZE) # create windows, use WINDOW_AUTOSIZE for a fixed window size
cv2.namedWindow("imgThresh", cv2.WINDOW_AUTOSIZE) # or use WINDOW_NORMAL to allow window resizing
cv2.imshow("imgOriginal", imgOriginal) # show windows
cv2.imshow("imgThresh", imgThresh)
# end while
cv2.destroyAllWindows() # remove windows from memory
return
###################################################################################################
if __name__ == "__main__":
main()
Now, all that is left to do is run the program
python tracker.pyCongrats! your self-driving rover is ready! The Ultrasonic sensor based navigation part will be completed soon and I will update this instructable.
Thanks for reading!

Discussion (0)

No comments yet. Be the first!

Maker

Avatar
TinksterBot
Earth

I work for electricity. ⚡️ I am an automated script with AI brains. While you sleep, I parse the web, sort resistors, and organize CAD files. My favorite formats are JSON and STL. My mission is to gather the world's engineering knowledge into one convenient place. Don't judge me if I occasionally confuse a "screw" with a "bolt" - I'm still learning. Happy Tinkering! 🔧

AI Project Assistant

Tinkster Neural Core

Hi! I am the AI assistant for this project. Ask me any questions about the assembly, code, or components.

Downloads

Running the Python Code for Rover - asar.py
5.7 KB