FT-857 and FT-891 frame battery tray add-on





Description
This add-on for my FT-857 frame design: https://www.thingiverse.com/thing:7262026
Works also with the FT-891 frame: https://www.thingiverse.com/thing:7303243.
It replaces the front handles, rear right handle and rear protector with one piece battery tray for 3x 12V/6Ah batteries.
Other parts are the same as in the original design.
Parts are designed so that they fit inside a certain backpack and for that reason there are two front handle versions; shorter one gives little bit looser fitment to the bag and longer version is inline with handle2 if used in different bag, or without a bag.
Assembly is done with similar screws and thread inserts as original design.
Backpack in question is from Aliexpress, size B.
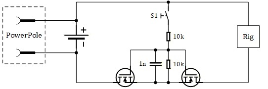
I decided to add an battery disconnect circuit to reduce battery drain while the radio is not used. It's two MOSFET's connected back to back from sources, in the negative line and small switch (Nidec CF-LD-1DC-AR2W) in the front of mechanics is used to pull gates high through a voltage divider. I chose low RdsOn MOSFET's, IPP020N03LF2S from Infineon so that there is not too much heat dissipation even if running in full power. There is room for small aluminium heat sink between the MOSFET's to spread the couple watts of possible heat. You need to add electrically isolating thermal interface material, otherwise the MOSFET's will short.
I kept the PowerPole connectors connected to batteries in front of the disconnect circuit, so that the batteries can be charged despite the state of circuit.
Quite large 3D printer is needed, I've used Qidi X-MAX3

















