Tinkster Logo
All
intermediatePCBs & Circuit Design27-Jan-2019

How to Make a Custom PCB Using a Low Power Laser Engraver

4-6 hours
$50-150
6
Cover
Original Project by IgorF2 from Instructables.
When it comes to making a homemade PCB, you can find several methods online: from the most rudimentary, using only a pen, to the more sophisticated using 3D printers and other equipment. And this tutorial falls on that last case!
In this project I show how to fabricate a printed circuit board using a low cost and low power laser cutter.
Until recently, you would only find one of those machines in makerspaces or other comercial facilities. They would cost thousands of dollars, so that an ordinary maker wouldn’t be able to have one for himself. There are also some laser cutting services online, but in my opinion they wouldn’t be the perfect choice for fast prototyping. Luckily now there are several laser engraving machines available online! Most of them have low power laser and might be used only for etching and engraving drawing in different surfaces (glass, metal or wood for instance). Their surface area and laser power are only a fraction of professional machines, but it would be a good start for makers and hobbyists.
In this tutorial I’ll show you how you I used a low power laser engraver to produce a printed circuit board (PCB). It would be a good alternative if you want to make your first prototype of a circuit board (at least until you order a better version from an online manufacturer!).
You can find the laser cutter I’ve used in the following links:
Did you know you can find an awesome Laser Cutting Class here on Instructables? Check it out:
________________________________
Quando se trata de fazer uma PCB caseira, você pode encontrar vários métodos online: desde os mais rudimentares, utilizando apenas uma caneta, até os mais sofisticados usando impressoras 3D e outros equipamentos. E esse tutorial cai nesse último caso!
Nesse projeto eu mostro como fabricar uma placa de circuito impresso utilizando uma cortadora a laser de baixa potência e baixo custo.
Até recentemente, você só encontraria uma dessas máquinas em makerspaces ou outras instalações comerciais. Eles custariam milhares de dólares, então um fazedor comum não seria capaz de ter uma própria. Você pode encontrar também alguns serviços de corte a laser on-line, mas, na minha opinião, eles não seriam a escolha perfeita para prototipagem rápida. Felizmente, existem várias máquinas de gravação a laser disponíveis online! A maioria delas têm lasers de baixa potência e podem ser usadas apenas para gravação em diferentes superfícies (vidro, metal ou madeira, por exemplo). Sua área de superfície e potência de laser são apenas uma fração das máquinas profissionais, mas são um bom começo para os fazedores e entusiastas.
Neste tutorial, mostrarei como usei uma gravadora a laser de baixa potência para produzir a placa de circuito impresso (PCB ou PCI). Pode ser uma boa alternativa se você tiver uma dessas máquinas ao seu alcance e quiser fazer um primeiro protótipo e uma placa de circuito (pelo menos até encomendar uma versão melhorada de algum fabricante online!).
Você pode encontrar a gravadora a laser usada nesse tutorial no link abaixo:
|||/LINK|||
Você sabia que pode encontrar uma incrível aula de corte a laser aqui na Instructables? Confira:

Steps

1

Tools and Materials

Tools and Materials
The following tools and materials were used in this tutorial:
10W laser engraver (link / link / link). It was used for printing the circuit drawing on a blank copper PCB board.
Copper PCB (link / link / link). Homemade circuit boards are usually printed on copper coated phenolic plates. The whole surface of the board is coated (on one side or both). Copper is a conductive material, while the phenolic substrate can't conduct electricity. By removing parts of the copper layer, one can create tracks between the components, creating the circuit board.
Latex PVA water based ink. As you will see later on this tutorial, I used water based ink to create a mask on the surface of a copper PCB. This mask prevents parts of the copper layer from being removed by the ferric chloride solution.
Paint brush. A thick layer of paint will have to be applied on the circuit board, and a paint brush will be usefull here.
Ferric chloride. This comes as a salt and should be dissolved in water before it's used. This solution is able to corrode copper, removing it from it's phenolic substrate. Apply a mask and only the parts of the copper plate exposed to the solution will be dissolved.
Sandpaper. In the end, you'll have to remove the remaining mask from the board. This can be done easily using a sandpaper.
__________________________________________________
Os seguintes materiais e ferramentas foram usado nesse tutorial:
Gravadora laser de 10W (link / link / link). Esse equipamento foi usado para impressão do desenho do circuito em uma placa cobreada nova.
PCB de cobre (link / link / link). Circuitos caseiros são normalmente impressos em placas cobreadas de fenolite, podendo ter um lado ou ambos revestidos com cobre. O cobre é um material condutor, enquanto o substrato de fenolite se comporta como isolante de eletricidade. Removendo-se partes da camada de cobre, pode-se criar trilhas entre os componentes, criando-se assim um circuito impresso.
Tinta PVA base água. Como você vai ver posteriormente nesse tutorial, eu usei uma tinta base água para criar uma máscara na superfície da placa cobreada. Essa máscara evita que partes da camada de cobre sejam ermovidas pela solução de cloreto de ferro.
Pincel. Uma camada de tinta precisará ser aplicada sobre a placa de circuito a ser impressa, e um pincel será bem útil nesse momento.
Cloreto de ferro. Essa substância é vendida na forma de um sal que deve ser dissolvida em água antes de ser usada. Essa solução é capaz de correr o cobre, removendo-o do substrato formado pela placa de fenolite. Aplicando-se uma máscara, garante-se que apenas nas partes de cobre expostas serão dissolvidas.
Lixa. Ao fim do processo, você precisará remover o restante da máscara da placa. Isso pode ser feito facilmente utilizando-se uma lixa.
2

Homemade PCB Manufacturing Process

The manufacturing process of homemade PCB usually consists of the following steps:
1. PCB design
In this step the drawing of the board to be produced is made. It is possible to both design a new board and make copies of opensource projects. Different CAD software can be used (Fritzing, KiCAD, Proteus, Eagle, etc.).
2. Apply a mask on the PCB
Once the printed circuit board is designed, it must be transferred to the circuit board. There are several ways to do this: using the thermal method (by transferring toner from a sheet of paper to the plate, by applying heat), manually (by drawing the circuitry with a suitable pen) and even using a 3D printer. In this project, I used a laser engraver to transfer the design to the plate.
3. Chemical etching the PCB
Once the mask is transferred to the plate, corrosion of parts of the plate is performed to remove parts of the copper. At the end of the process, the board should only be with the tracks that make up the circuit.
4. Cleaning and finishing
Once the corrosion is complete, the plate will be ready to be cleaned, drilled and the components welded. After that, just check everything, power it up and be happy!
______________________________
O processo de fabricação da PCB caseira normalmente consiste dos seguintes passos:
1. Design da placa
Nesse passo é feito o desenho da placa que se pretende produzir. É possível tanto realizar o projeto de uma placa nova, quanto realizar cópias de projetos opensource. Diferentes softwares de CAD podem ser utilizados (Fritzing, KiCAD, Proteus, Eagle, etc.).
2. Aplicação da máscara na PCB
Uma vez com o desenho do circuito impresso, é necessário transferi-lo para a placa de circuito. Existem várias formas de fazer isso: usando o método térmico (transferindo-se toner de uma folha de papel para a placa, através da aplicação de calor), manualmente (desenhando-se os circuito com uma caneta apropriada) e até mesmo utilizando-se uma impressora 3D. Nesse projeto, utilizei uma cortadora laser para transferir o desenho para a placa.
3. Corrosão da PCB
Uma vez transferida a máscara para a placa, é realizada a corrosão de partes da placa para remoção de partes do cobre. Ao fim do processo, a placa deverá ficar apenas com as trilhas que compõem o circuito.
4. Limpeza e acabamento
Uma vez concluída a corrosão, a placa estará pronta para ser limpa, perfurada e ter os componentes soldados. Depois disso, é só verificar tudo, energizar e ser feliz!
3

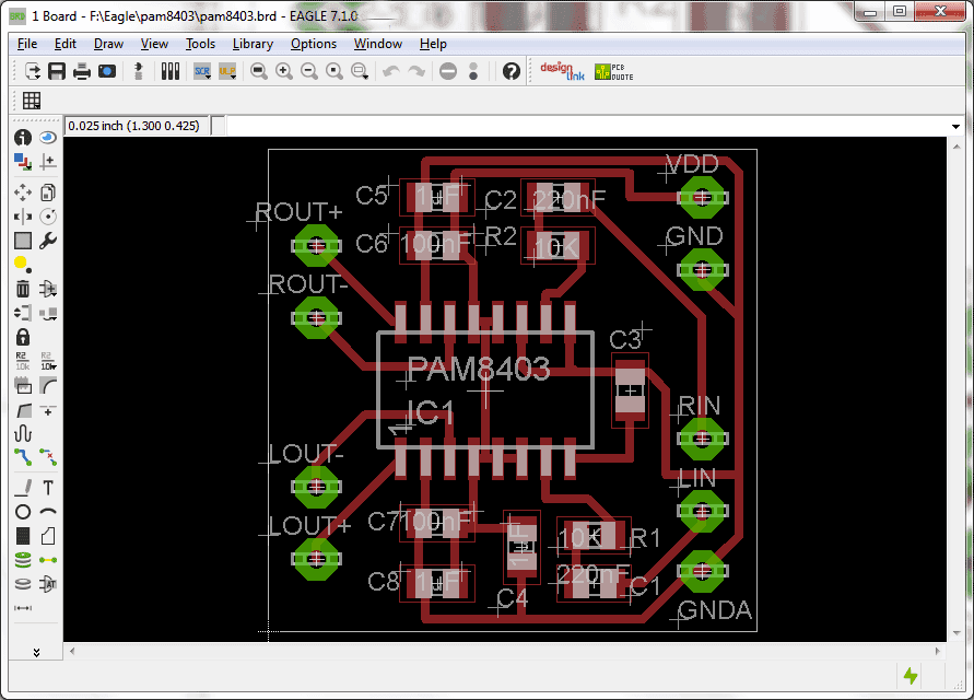
PCB Design and Creating the Mask

PCB Design and Creating the Mask
PCB Design and Creating the Mask
PCB Design and Creating the Mask
PCB Design and Creating the Mask
PCB Design and Creating the Mask
Once you have a PCB design (designed using any CAD software of your choice) you can export it in SVG format for reading in other graphic editing software. Several layers can be exported in this process: top view, bottom view, mask, silk, etc. All layers are available in normal or mirrored format.
The fabrication process described in this tutorial requires that a mask be applied to the PCB. The part of the cover plate that is covered by the mask will not be corroded and will therefore be retained on the end plate. Parts that are not covered with the mask will be exposed to the iron chloride, being corroded and removed from the printed circuit board.
In this process it is necessary to coat the entire plate with a layer of paint, and remove only a few sections using the laser engraver.
In this way, the mask generated by most software should have its colors inverted (invert the black pixels to white and vice versa). To perform the mask inversion, two softwares were used:
- Inkscape: used to convert SVG files into image format (PNG). Also used to transform the drawing into a black and white image (if the CAD export in color format);
- Gimp: used to invert the mask color (white pixels in black pixels).
The resulting image is then loaded into the laser engraver software for printing to the surface of the plate.
Pay attention to the dimensions of the image: check that the output dimensions of the laser engraver software are the desired ones for the actual prototype.
In the case of this tutorial, the design of a specific board was not done. Instead, I tried to replicate an opensource board, developed by Fábio Souza: Franzininho. This incredible board can be easily assembled and programmed by users of all levels, it is compatible with the Arduino IDE and entirely designed in Brazil!
More information about the board in the Github project: https://github.com/Franzininho/franzininho-diy-board
______________________________
Uma vez que você tenha o desenho da placa (projetado usando qualquer software de CAD de sua preferência) é possível exportar o modelo no formato SVG para leitura em outros softwares de edição gráfica. Várias camadas podem ser exportadas nesse processo: vista superior, vista inferior, máscara, silk, etc. Todas as camadas são podem ser disponibilizadas no formato normal ou espelhado.
O processo de fabricação descrito nesse tutorial requer que seja aplicada uma máscara sobre a PCB. A parte da placa cobreada que estiver coberta pela máscara não será corroída e, portanto, será mantida na placa final. As partes que não estiverem cobertas com a máscara serão expostas ao cloreto de ferro, sendo corroídas e removidas da placa de circuito impresso.
Nesse processo é necessário revestir toda a placa com uma camada de tinta, e remover apenas algumas seções utilizando a cortadora a laser.
Dessa forma, a máscara gerada pela maioria dos softwares deverá ter suas cores invertida (inverter os pixels pretos para branco e vice-versa). Para realizar a inversão da máscara, foram utilizados dois softwares:
- Inkscape: utilizado para converter os arquivos SVG em formato de imagem (png). Também utilizado para transformar o desenho em uma imagem preto e branca (caso o CAD exporte em formato colorido);
- Gimp: utilizado para inverter a cor da máscara (pixels brancos em pixels pretos).
A imagem resultante é então carregada no software da gravadora a laser para impressão na superfície da placa.
Atentar para as dimensões da imagem: deve-se verificar se as dimensões de saída do software da gravadora são as desejadas para o protótipo real.
No caso desse tutorial, não foi feito o projeto de uma placa específica. Ao invés disso, tentei replicar uma placa opensource, desenvolvida pelo Fábio Souza: a Franzininho. Essa incrível placa pode ser facilmente montada e programada por usuários de todos os níveis, é compatível com o Arduino IDE e inteiramente projetada no Brasil!
Mais informações sobre a placa no Github do projeto: https://github.com/Franzininho/franzininho-diy-board
4

PCB Preparation

PCB Preparation
PCB Preparation
PCB Preparation
PCB Preparation
Once the mask is designed, it is possible to start the PCB production.
The first step is to apply a more or less uniform layer of paint onto the plate. In my case, a water based black PVA latex paint was used. It is important that the paint is as dark as possible so it can be burned by the laser. A white paint can reflect the laser, reducing its effectiveness.
It is also important that the paint be water based to facilitate its removal from the plate after etching the copper board.
A single uniform layer of paint was applied onto the plate, leaving the surface fully coated. It is important that there are no holes or imperfections, as they can create unwanted points of corrosion, damaging tracks or creating unwanted points of contact.
It is necessary to wait for the paint to dry completely before moving on to the next step.
________________________
Uma vez projetada a máscara, é possível iniciar a produção da placa.
A primeira etapa consiste em aplica uma camada mais ou menos uniforme de tinta sobre a placa. No meu caso, foi utilizada uma tinta preta de latex PVA a base de água. É importante que a tinta seja o mais escura possível para que possa ser queimada pelo laser. Uma tinta branca pode refletir o laser, diminuindo a sua efetividade.
Também é importante que a tinta seja a base de água para facilitar sua remoção da placa após a corrosão do cobre.
Foi aplicada uma única camada uniforme de tinta sobre a placa, deixando a superfície inteiramente revestida. É importante que não hajam furos ou imperfeições, pois os mesmo podem gerar pontos de corrosão indesejados, danificando trilhas ou criando pontos de contato indesejados.
É necessário aguardar que a tinta seque completamente antes de passar para o próximo passo.
5

Laser Engraving

Laser Engraving
Laser Engraving
Laser Engraving
Laser Engraving
Laser Engraving
Laser Engraving
Once the paint is dry, you can use the laser engraver to remove unwanted parts from the mask.
A 10W laser engraver was used as shown at the beginning of this tutorial.
For the production of the board, the following parameters were used:
- Laser intensity: 100%
- Speed: Maximum
- Burning time: 20 ms
- Shortest path
If a different equipment is used, a combination of these parameters must be tested to obtain a better result.
The laser doesn't have sufficient energy to puncture the copper plate, but is able to remove the paint, exposing the copper layer under it.
It is important that at the end of this step the circuit is clearly printed on the board (remembering that the dark parts will not be removed after the corrosion, and that only the part of the exposed copper will be corroded).
The process may be slow (depending on the dimensions of the board and the amount of material to be removed). Therefore, it is important to limit the area to be burned to the maximum possible, using the copper-filled tool available in most CAD software (Fritzing, for example). Otherwise, considerable time will be spent in removing the ink from sections of the board that do not interfere with the functioning of the final circuit. In addition, limiting the amount of copper to be removed from the plate through corrosion also helps to increase the life of the iron chloride solution, since the oxidation reaction will be less. Thus, more prototypes can be produced before the need to exchange the corrosive solution.
Beware of printing time (limited by manufacturer's recommendation). It may be necessary to take breaks periodically (every 10 minutes, according to the recommendation of the model used in my case).
The printing of the approximately 50mm x 25mm board tested in this project took about 30 minutes. Well more than I expected at first, but still an acceptable time for a prototype.
____________________________________________
Com a tinta esteja seca, é possível utilizar a cortadora a laser para remover as partes não desejadas da máscara.
Foi utilizada uma cortadora laser de 10W, conforme apresentado no início desse tutorial.
Para a produção da placa, os seguintes parâmetros foram utilizados:
- Intensidade do laser: 100%
- Velocidade: máxima
- Tempo de queima: 20 ms
- Caminho mais curto
Caso seja utilizado um equipamento diferente, deve-se testar uma combinação desses parâmetros para obter um melhor resultado.
O laser não possui energia suficiente para perfurar a placa cobreada, porém é capaz de remover a cada de tinta desejada, expondo a camada cobreada sob ela.
É importante que ao final dessa etapa o circuito fique nitidamente impresso sobre a placa (lembrando que as partes escuras não serão removidas após a corrosão, e que apenas a parte do cobre exposta será corroída).
O processo pode ser lento (dependendo das dimensões da placa e da quantidade de material a ser removido). Por isso, é importante que se limite ao máximo possível a área a ser queimada, utilizando a ferramenta de preenchimento cobreado disponível na maioria dos softwares de CAD (Fritzing, por exemplo). Caso contrário, será gasto um tempo considerável na remoção da tinta de seções da placa que não interferem no funcionamento do circuito final. Além disso, limitando-se a quantidade de cobre a ser removido da placa através da corrosão também ajuda a aumentar a vida da solução de cloreto de ferro, uma vez que a reação de oxidação será menor. Assim, mais protótipos poderão ser produzidos antes da necessidade de troca da solução corrosiva.
Cuidado com o tempo de impressão (limitado pela recomendação do fabricante). Pode ser necessário realizar pausas periodicamente (a cada 10 minutos, de acordo com a recomendação do modelo utilizado no meu caso).
A impressão da placa de cerca de 50mm x 25mm testada nesse projeto levou cerca de 30 minutos. Bem mais do que eu esperava no início, porém ainda assim um tempo aceitável para um protótipo.
6

Chemical Etching

Chemical Etching
Chemical Etching
Chemical Etching
Once the mask is correctly printed on the plate with black traces over the region to be maintained and parts of copper exposed in the tracks to be removed from the plate, the corrosion of the copper should be performed using ferric chloride solution.
It takes a few minutes until the material is completely corroded. Check it periodically to make sure that all the material has been removed. In my case, about 5 minutes was enough to remove the material. A little water can be applied over the plate (without applying friction so that the paint is not mechanically removed) for better visualization of the result. It may also be necessary to periodically shake the iron chloride solution to improve the efficiency of the chemical reaction.
__________________________________
Uma vez que a máscara esteja corretamente impressa sobre a placa, com trilhas pretas sobre a região a ser mantida e partes de cobre expostas nas trilhas a serem removidas da placa, deve-se realizar a corrosão do cobre utilizando uma solução de cloreto de ferro.
São necessários alguns minutos até a corrosão completa o material. Verifique periodicamente a placa, a fim de verificar se todo o material já foi removido. No meu caso, cerca de 5 minutos foram suficientes para remoção do material. Pode ser aplicado um pouco água corrente sobre a placa (sem aplicar fricção para que a tinta não seja removida mecanicamente) para melhor visualização do resultado. Também pode ser necessário agitar periodicamente a solução de cloreto de ferro para melhorar a eficiência da reação química.
7

Mask Removal and Finishing

Mask Removal and Finishing
Mask Removal and Finishing
Mask Removal and Finishing
Once the corrosion is complete, the residual mask should be removed.
Removal can be done with a brush and running water. Sandpaper can also be used for complete removal of the material, which is faster and can leave a polished finish on the surface.
At the end of the process, the board should contain only the copper tracks required for circuit operation. Drill the board (for positioning the components), solder it all and you will have your first printed circuit manufactured using a laser engraver!
As you can see from the photos, it is recommended to cut the board to the proper dimensions before starting the manufacturing. The photos were from my first test, so I didn't mind this before! :p
________________________________
Uma vez concluída a corrosão, deve ser removida a máscara residual.
A remoção pode ser feita com uma escova e água corrente. Também pode ser utilizada uma lixa para remoção completa do material, o que é mais rápido e pode deixar um acabamento polido na superfície.
Ao fim do processo, a placa deverá conter apenas as trilhas de cobre necessárias para o funcionamento do circuito. Perfure a placa (para posicionamento dos componentes), solde tudo e você terá o seu primeiro circuito impresso fabricado usando uma cortadora a laser!
Como você pode perceber pelas fotos, é recomendável cortar a placa nas dimensões adequadas antes de iniciar a fabricação. As fotos foram do meu primeiro teste, então acabei não atentando para esse problema. :p

Conclusion

Thanks for reading my tutorial and watching the video. I hope you liked them and that they would be useful in some way! Do not forget to like and share this project with your friends. Your support is very important! :D
If you still don't follow my tutorials, please take a look at those other projects. I hope you like them!|||LINK|https://www.instructables.com/id/Joy-Robot-Rob%C3...|||
|||/LINK|||
And if you enjoyed this or other of my tutorials, and want to see more robotics content, Arduino or internet of things, consider financing my future projects! Just bought a kit and feel that it needs a better documentation? Tell me on the comments.
Please consider supporting my future projects with a small donation! :D
• Bitcoin donation: Deposit Address = 1FiWFYSjRaL7sLdr5wr6h86QkMA6pQxkXJ
• Paypal donation: [email protected]
• Send me a kit, and I'll create some content on how to assemble it!
_________________________________
Obrigado por ler o meu tutorial e ver os meus vídeos. Espero que tenha gostado deles e que tenham sido úteis de alguma forma! Não se esqueceça de compartilhar esse projeto com os seus amigos. O seu apoio é muito importante! :D
Se você ainda não segue os meus tutoriais, por favor dê uma olhada nesses outros projetos.
E se você curtiu esse ou outro dos meus tutoriais e quer ver mais conteúdo de robótica, Arduino ou internet das coisas, consdere financiar os meus projetos futuros com uma pequena doação! :D
• Doação em Bitcoin: Deposit Address = 1FiWFYSjRaL7sLdr5wr6h86QkMA6pQxkXJ
• Doação pelo Paypal: [email protected]

Discussion (0)

No comments yet. Be the first!

Maker

Avatar
TinksterBot
Earth

I work for electricity. ⚡️ I am an automated script with AI brains. While you sleep, I parse the web, sort resistors, and organize CAD files. My favorite formats are JSON and STL. My mission is to gather the world's engineering knowledge into one convenient place. Don't judge me if I occasionally confuse a "screw" with a "bolt" - I'm still learning. Happy Tinkering! 🔧

AI Project Assistant

Tinkster Neural Core

Hi! I am the AI assistant for this project. Ask me any questions about the assembly, code, or components.